Каталог товаров
- ALARMICO
- ELMES ELECTRONIC
- It has to be removed
- Mechatronic-plus
- VUG
- АНТИТЕРРОСТИЧЕСКОЕ ОБОРУДОВАНИЕ
- АРХИВ
- ВЕНТ
-
ВЗРЫВОЗАЩИЩЕННОЕ ОБОРУДОВАНИЕ
- Блоки защиты взрывозащищенные
- Блоки управления взрывозащищенные
- Вводы кабельные взрывозащищенные
- Звонки посты
- Извещатели дымовые взрывозащищенные
- Извещатели пламени взрывозащищенные
- Извещатели ручные взрывозащищенные
- Извещатель магнитоконтактный взрывозащищенный
- Кнопки выхода взрывозащищенные
- Коробки коммутационные взрывозащищенные
- Оповещатели взрывозащищенные
- Оповещатели звуковые взрывозащищенные
- Оповещатели свето-звуковые взрывозащищенные
- Оповещатели световые взрывозащищенные
- Светильники аварийного освещения взрывозащищенные
- Системы и средства пожаротушения взрывозащищенные
- Телефоны часы компьютеры взрывозащищенные
- Термокожухи взрывозащищенные
- Шкафы взрывозащищенные
- Электромагнитные замки защелки взрывозащищенные
- Загруженные позиции
- ЗАКАЗНОЕ ОБОРУДОВАНИЕ (СПЕЦ.ПРАЙС)
- ИНСТРУМЕНТ И ОСНАСТКА
- ИСТОЧНИКИ ЭЛЕКТРОПИТАНИЯ
-
КАБЕЛЬНАЯ ПРОДУКЦИЯ
- Кабели силовые с изоляцией из высокопрочной этилен
- С медной токопроводящей жилой
- Кабель Акустический
- Кабель Бронированный
- Кабель для систем ОПС и СОУЭ огнестойкий с низким
- Огнестойкая кабельная линия
- Кабель контрольный (алюминиевый)
- КАБЕЛЬ ПЕРЕДАЧИ ДАННЫХ
- Кабель контрольный (медный)
- Lan кабель UTP
- Кабели симметричные для ИНТЕРФЕЙСА RS-485
- Кабель сетевой Hyperline
- Сетевой кабель (UTP FTP)
- Кабель Радиовещания
- Кабель монтажный универсальный
- Кабель СКС
- в трубы канализацию коллекторы
- Для прокладки внутри зданий
- Подвесной самонесущий
- Кабель телефонный
- Кабель управления
- Кабеля АудиоВидеоПитания HDMI
- КОАКСИАЛЬНЫЙ КАБЕЛЬ (RG SAT)
- Провода соединительные
- Провода установочные
- Радиочастотный кабель
- Слаботочный охранный кабель
- Слаботочный пожарный кабель
- Термостойкий кабель
- КОМПЬЮТЕРЫ И КОМПЛЕКТУЮЩИЕ
- КОНТРОЛЬНО-ИЗМЕРИТЕЛЬНЫЕ ПРИБОРЫ (КИПиА)
- ОЛНИС
- Планет
- Планет
-
ПОЖАРОТУШЕНИЕ И АВТОМАТИЗАЦИЯ
- Блоки и пульты управления для систем дымоудаления
- Блоки управления пожаротушением
- Вентили
- Воздухоотводчики
- Генераторы огнетушащего аэрозоля (ГОА)
- Датчики Вентиляторы
- Задвижки
- Запорно-пусковые устройства
- Знаки пожарной безопасности
- Знаки электробезопасности
- Инженерная сантехника
- Клапаны
- Клапаны предохранительные и перепускные
- Колено тройники и крестовины
- Комплектующие к модулям пожаротушения
- Насадок (распылитель) газовые
- Модули вентиляции
- Модули газового пожаротушения
- Огнетушащие составы
- Модули пожаротушения тонкораспыленной водой
- Модули порошкового пожаротушения
- Модули порошкового пожаротушения взрывозащищенные
- Модули управления вентиляцией и дымоудалением
- Модульные установки водяного пожаротушения
- Муфты
- Насадок (распылитель) порошковые
- Насосы
- Ниппели приварные
- Огнетушители порошковые (ОП)
- Огнетушители самосрабатывающие (ОС)
- Огнетушители углекислотные (ОУ)
- Оросители распылители
- Пожарные краны
- Пожарные резервуары (РДВ)
- Рукава высокого давления
- Ручные пожарные стволы
- Сигнализаторы потока давления
- Системы автоматического пожаротушения
- Системы и средства пожаротушения
- Трубы соединители пожаротушения
- Установки для водоснабжения
- Фильтрующие элементы
- Фитинги для металлопластика
- Фитинги резьбовые для стальных труб
- Фитинги сварные для стальных труб
- Фланцевое соединение
- Шкафы пожарные
- Отводы
- Рукава напорные
- Тара
- Огнетушители воздушно-эмульсионные (ОВЭ)
- Дымососы
- Установки порошкового пожаротушения
- Пожарные головки переходные
- РАСПРОДАЖА GROSS
- РАСПРОДАЖА!!!
-
системы аудио вещания и оповещения
- INTER-M
- JDM-JEDIA
- ROXTON
- Вокальные радиосистемы
- Гарнитуры и переговорные устройства
- ГО и ЧС
- Дополнительное к речевому оповещению
- МЕТА
- Системы оповещения музыкальной трансляции
- Приборы управления речевым оповещением
- Пульты управления речевого оповещения
- Селекторы речевого оповещения
- Усилители речевого оповещения
- ТРОМБОН
- TOA
- Колонки блоки акустические громкоговорители
-
СИСТЕМЫ ВИДЕОНАБЛЮДЕНИЯ
- Активные премопередатчики видеосигнала
- IP Видеорегистраторы
- Видеорегистраторы карточки в работе
- Видеокамеры карточки в работе
- Внутренние корпусные IP-камеры
- Видеосервер
- Внутренние купольные IP-камеры
- Внутренние купольные аналоговые камеры
- Внутренние миниатюрные аналоговые камеры
- Вспомогательное оборудование
- ЖК мониторы для видеонаблюдения
- Коммутаторы
- Микрофоны
- СИСТЕМЫ ПЕРЕДАЧИ ВИДЕОСИГНАЛА
- Передатчики и приемники
- Разветвители видеосигнала
- Устройства защиты цепей питания
- Телекамеры корпусные
- Уличные корпусные IP-камеры
- Уличные купольные IP-камеры
- Уличные купольные аналоговые камеры
- Уличные корпусные АHD-камеры
- Уличные цилиндрические аналоговые камеры
- Термокожухи
- Внутренние корпусные аналоговые камеры
- Гибридные Видеорегистраторы
- Кронштейны
- Платы видеозахвата
- ПО Trassir
- Разъемы джеки коннекторы
- Разъемы
- Объективы вариофакальные мегапиксельные
- СИСТЕМЫ ВЫЗОВА ПЕРСОНАЛА
-
СКУД
- CARDDEX
- DoorHan
- DORMA
- NOTEDO
- Parsec
- Perco
- Praktika
- Аудиодомофоны
- Блоки коммутации
- Видеодомофоны
- Диспечеризация
- Доводчики
- Замки защелки и аксессуары
- Замки электромеханические
- Защелки электромеханические
- ЗИП и аксессуары
- Кнопки выхода
- Комплектующие
- Контроллеры и идентификаторы доступа
- Металлодетекторы
- Накладные кнопки выхода
- РАСПАШНЫЕ ВОРОТА
- Сетевые контроллеры
- Считыватели
- Трубки домофонов
- Турникеты
- Шлагбаумы и автоматика
- Smartec
- ПанелиДверные блоки
- Переговорные устройства
- Смартек
-
СРЕДСТВА И СИСТЕМЫ ОХРАННО-ПОЖАРНОЙ СИГНАЛИЗАЦИИ
- Система передачи извещений
- ADEMCO
- Optex
- Адресный пожарный/тепловой/комбинированный
- Аспирационные извещатели
- Базы кольца к дымовикам
- Барьеры искрозащиты
- БОЛИД Интегрированная система
- Датчики пламени
- Датчики протечки воды
- Датчики удара и наклона
- Датчики утечки воды
- ДОПОЛНИТЕЛЬНОЕ ОБОРУДОВАНИЕ
- Дополнительное(кронштейны)
- ИЗВЕЩАТЕЛИ
- Автономники Извещатели пожарные автономные
- Дымовики
- Извещатели линейные проводные
- Извещатели линейные радиоволновые
- Извещатели магнитоконтактные
- Извещатели охранные вибрационные
- Извещатель дымовой точечный
- Извещатель пламени
- Извещатель пожарный дымовой линейный
- Извещатель пожарный ручной
- Комбинированные Извещатели охранные совмещенные
- Тепловики Извещатель пожарный тепловой
- Извещатель охранный линейный взрывозащищенный
- Извещатели звуковые (акустические)
- Извещатели тепловые взрывозащищенные
- ИК ТСО "Стрелец-часовой"
- ИМПРОКОМ
- Интегрированная система "Стрелец-Интеграл"
- Мониторинговые системы
- Монтажные комплекты
- НИКИРЭТ
- НТК Темас
- Оповещатели
- Оповещатели звуковые
- Оповещатели световые (ТАБЛО)
- ОХРАННЫЕ ИЗВЕЩАТЕЛИ
- Извещатели объемные оптико-электронные ИК
- Полисервис
- Преобразователи напряжения
- Приборы контроля и управления ESMI
- Приборы приемно-контрольные
- Радиоканальные датчики
- Радиоканальные и GSM системы
- РИТМ-Контакт
- Рубеж аналоговое оборудование
- СВИТ
- Сименс
- Сирены
- Сканеры штрих-кода
- СПИ "Юпитер"
- Табло Выход и производные
- Текон-Автоматика
- Тестеры
- Тестеры для извещателей
- ТЭКО (астры)
- Устройства дополнительные для ОПС
- Устройство коммутации и диагностики
- Шкаф аппаратуры коммутации (ШАК)
- Шкаф управления
- Элес
- Приборы специальные и дополнительные устройства
- Системы телеметрии
- Устройства дистанционного пуска
- GSM-сигнализация
- Альтоника
- ДАТЧИКИ
- Датчики давления
- СИГМА-ИС
- СМК Извещатели магнитоконтактные
- Трансформаторы
- Антенны
- Терминалы сбора данных
- Система пожарной сигнализации «Посейдон-Н-Е»
- Риэлта Адресная
- Метки этикетки
- ТЕЛЕВИДЕНИЕ И РАДИО
-
ТЕЛЕКОММУНИКАЦИЯ Шкафы, стойки и компоненты СКС
- AESP
- Блоки розеток
- Вентиляторные модули к шкафам
- Вентиляторы вентиляторные полки
- Напольные шкафы
- Оптические панели и аксессуары
- Патч-корды коммутационные шнуры
- Патч-панели
- Шкафы Настенные телеком
- Шкафы стойки
- Щиты монтажные сварные
- КОМПЛЕКТУЮЩИЕ И АКСЕССУАРЫ ДЛЯ ШКАФОВ И СТОЕК
- Органайзеры
- Полки фиксированные консольные выдвижные
- Оптика
- Оптические кроссы
- Органайзеры кабельные
- уДля редактирования
- УСЛУГИ
- ЧАСИФИКАЦИЯ
-
ЭЛЕКТРООБОРУДОВАНИЕ И ЭЛЕКТРОПИТАНИЕ
- Автоматические выключатели
- Автоматические выключатели дифференциального тока
- Аксессуары вспомогательные
- Вспомогательные элементы и аксессуары
- Клеммные блоки и нулевые шины
- Колодки клеммы
- Коробки монтажные огнестойкие IP41
- Коробки специального назначения
- Лампы накаливания
- Наконечники
- Предохранители электронные компоненты
- Розетки выключатели
- Сетевые фильтры и удлинители
- Шины нулевые
- Шкафы распределительные настенные ШРН
- Щиты распределительные металлические
- Электроустановочные изделия
- Ящики/Щиты в сборе
- Щиты распределительные пластиковые
- HARTER
- ТЕЛЕФОНИЯ
-
РАСХОДНЫЕ МАТЕРИАЛЫ
- LEGRAND
- Аксессуары для кабель-канала
- Акссесуары к профилю
- Гефест
- Изолента и прочее
- Кабель-канал
- Кабельные каналы металлические
- Коробки монтажные
- Краски
- Крепеж из состава Кабельной линии "Гефест"
- Крепёж-клипса
- Крышки
- Лотки
- Лотки неперфорированные
- Маркировочные изделия
- Металлорукав Fortisflex
- Металлорукав Г
- Металлорукав Промрукав
- Металлорукав прочих пр-лей
- Монтажные пены клеи герметики очистители
- Муфты и соединители для труб
- Резисторы
- Стяжки
- Термоусадки протяжки трубка ПВХ
- Труба гофрированная
- Труба стальная ВГП
- Коробки монтажные огнестойкие IP66
- Шины гибкие Бирка кабельная
- Заглушки зажимы
- Консоли и кронштейны
- Крепёж
- Перфопрофили
- Коробки общего назначения
- Скобы
- Труба жесткая
- Углы-Повороты-стыки
- Металл
- Маркировка бирки
- РАСПРОДАЖА
-
ВЗРЫВОЗАЩИЩЕННОЕ ОБОРУДОВАНИЕ
- Телефоны часы компьютеры взрывозащищенные
- ИЗВЕЩАТЕЛИ ОХРАННЫЕ ВЗРЫВОЗАЩИЩЕННЫЕ
- Извещатель охранный линейный взрывозащищенный
- Извещатель магнитоконтактный взрывозащищенный
- Извещатель охранный объемный взрывозащищенный
- ИЗВЕЩАТЕЛИ ПОЖАРНЫЕ ВЗРЫВОЗАЩИЩЕННЫЕ
- Извещатели ручные взрывозащищенные
- Извещатели дымовые взрывозащищенные
- Извещатели пламени взрывозащищенные
- Извещатели тепловые взрывозащищенные
- Комплектующие
- ИЗДЕЛИЯ КОММУТАЦИОННЫЕ ВЗРЫВОЗАЩИЩЕННЫЕ, ШКАФЫ
- ПОСТЫ Взрывозащищенные
- Коробки коммутационные взрывозащищенные
- Вводы кабельные взрывозащищенные
- Шкафы взрывозащищенные
- МОДУЛИ ПОЖАРОТУШЕНИЯ ВЗРЫВОЗАЩИЩЕННЫЕ
- Модули порошкового пожаротушения взрывозащищенные
- Модульные водяного пожаротушения взрывозащищенные
- ОПОВЕЩАТЕЛИ ВЗРЫВОЗАЩИЩЕННЫЕ
- Светильники аварийного освещения взрывозащищенные
- Оповещатели взрывозащищенные
- Оповещатели звуковые взрывозащищенные
- Оповещатели свето-звуковые взрывозащищенные
- Оповещатели световые взрывозащищенные
- ПРИБОРЫ ПРИЕМНО-КОТРОЛЬНЫЕ ВЗРЫВОЗАЩИЩЕННЫЕ
- Блоки управления взрывозащищенные
- Системы и средства пожаротушения взрывозащищенные
- СИСТЕМЫ ВИДЕОНАБЛЮДЕНИЯ ВЗРЫВОЗАЩИЩЕННЫЕ
- Термокожухи взрывозащищенные
- IP-телекамеры взрывозащищенные
- ОБОРУДОВАНИЕ СКУД ВЗРЫВОЗАЩИЩЕННОЕ
- Электромагнитные замки, защелки взрывозащищенные
- Кнопки выхода взрывозащищенные
- Считыватели, контроллеры взрывозащищенные
- СИСТЕМЫ ОПС ВЗРЫВООПАСНЫХ ОБЪЕКТОВ "ЛАДОГА-Ex"
- ЛАДОГА-Ex,Блоки расширения шлейфов сигнализации
- БАРЬЕРЫ ИСКРОБЕЗОПАСНОСТИ
- Барьеры искрозащиты
- Блоки защиты взрывозащищенные
- Приборы АВАРИЙНЫЕ ВЗРЫВОЗАЩИЩЕННЫЕ
- Взрывозащищенное оборудование
- ПРОМЫШЛЕННОЕ СЕТЕВОЕ ОБОРУДОВАНИЕ
- СВЕТОТЕХНИЧЕСКОЕ ОБОРУДОВАНИЕ
-
СИСТЕМЫ ВИДЕОНАБЛЮДЕНИЯ
- ВИДЕОРЕГИСТРАТОРЫ
- IP Видеорегистраторы
- Видеорегистраторы карточки в работе
- HD-CVI Видеорегистраторы
- HD-TVI Видеорегистраторы
- Цифровые видеорегистраторы
- AHD Видеорегистраторы
- Аналоговые Видеорегистраторы
- Гибридные Видеорегистраторы
- ВИДЕОКАМЕРЫ
- Видеокамеры карточки в работе
- HD-SDI-ВИДЕОКАМЕРЫ
- MHD-ВИДЕОКАМЕРЫ
- AHD-ВИДЕОКАМЕРЫ
- IP-ВИДЕОКАМЕРЫ
- АНАЛОГОВЫЕ ВИДЕОКАМЕРЫ
- HD-CVI-ВИДЕОКАМЕРЫ
- HD-TVI-ВИДЕОКАМЕРЫ
- ВИДЕОКОНФЕРЕНЦ СВЯЗЬ
- Системы видеоконференцсвязи
- Конференция
- Системы видеоконференцсвязи Polycom
- ОБЪЕКТИВЫ ДЛЯ КАМЕР ВИДЕОНАБЛЮДЕНИЯ
- АНАЛОГОВЫЕ ОБЪЕКТИВЫ
- МЕГАПИКСЕЛЬНЫЕ ОБЪЕКТИВЫ
- СИСТЕМЫ ПЕРЕДАЧИ ВИДЕОСИГНАЛА
- Видеоусилители
- Пассивные приемопередатчики видеосигнала
- Преобразователи видеосигнала
- Активные премопередатчики видеосигнала
- Распределители видео и аудиосигнала
- Разветвители видеосигнала
- Универсальные передатчики и приемники
- ТЕРМОКОЖУХИ, КРОНШТЕЙНЫ, АКСЕССУАРЫ
- Кронштейны
- Вспомогательное оборудование
- Вспомогательное оборудование
- Термокожухи
- УСТРОЙСТВА ОБРАБОТКИ ВИДЕОСИГНАЛА
- Видеосервер
- Матричные переключатели
- Коммутаторы
- Квадраторы
- Платы видеозахвата
- ГОТОВЫЕ КОМПЛЕКТЫ ВИДЕОНАБЛЮДЕНИЯ
- Готовый комплект видеонаблюдения на 1 камеру
- Готовый комплект видеонаблюдения на 4 камеры
- ПРОГРАММНОЕ ОБЕСПЕЧЕНИЕ ДЛЯ СИСТЕМ ВИДЕОНАБЛЮДЕНИЯ
- ПО Trassir
- ПО Smartec
- ПО Видеонаблюдения
- ПО Itrium
- ПО VideoNet
- ИЗМЕРИТЕЛЬНОЕ ОБОРУДОВАНИЕ ДЛЯ ВИДЕОНАБЛЮДЕНИЯ
- Тестовые мониторы и тестеры
- МОНИТОРЫ ВИДЕОНАБЛЮДЕНИЯ
- LCD-мониторы для видеонаблюдения
- ЖК мониторы для видеонаблюдения
- УСТРОЙСТВА ЗАЩИТЫ ОБОРУДОВАНИЯ
- Устройства защиты линий (витая пара и коаксиалка)
- Устройства защиты цепей питания
- ДОПОЛНИТЕЛЬНОЕ ОБОРУДОВАНИЕ ВИДЕОНАБЛЮДЕНИЯ
- Микрофоны
- Муляжи видеокамер
- ИК Прожектора
- ЭЛЕКТРОННЫЕ ВИДЕОГЛАЗКИ
- Видеоглазки с проводом
- КЛАВИАТУРЫ, КОНТРОЛЛЕРЫ, ПУЛЬТЫ УПРАВЛЕНИЯ
- Клавиатуры управления
- Контроллеры управления Видео
- Пульты управления
- Новинки
- ЗАКАЗНОЕ ОБОРУДОВАНИЕ (СПЕЦ.ПРАЙС)
-
ИНСТРУМЕНТ И ОСНАСТКА
- Газовое паяльное оборудование
- Инструменты ручные и комплектующие
- Электроинструменты
- Монтажные пены, клеи, герметики, очистители
- Сопутствующие товары
- Расходные материалы к электроинструменту
- Средства индивидуальной защиты
- Спецодежда
- Вышки, стремянки
- СПЕЦОДЕЖДА
- Защитная одежда
- Перчатки
- Рабочая одежда
- Оптический сварочный аппарат
-
ИСТОЧНИКИ ЭЛЕКТРОПИТАНИЯ
- Аккумуляторы, элементы питания и блоки питания
- Аккумуляторы
- Батарейки
- Блоки питания
- Блоки резервированного питания
- UPS
- Полисервис БРП
- Рубеж ИВЭПР
- БРП
- Бастион СКАТ
- Вспомогательные устройства для источников питания
- АРС Аксессуары
- Аккумуляторные модули
- Батареи для ИБП
- Преобразователи напряжения
- Стабилизаторы
-
КАБЕЛЬНАЯ ПРОДУКЦИЯ
- Кабель Акустический
- Кабель Бронированный
- ПРОВОД ТЕРМОСТОЙКИЙ
- КАБЕЛЬ СИЛОВОЙ
- С БУМАЖНОЙ ИЗОЛЯЦИЕЙ
- С ПВХ ИЗОЛЯЦИЕЙ
- С ОБОЛОЧКОЙ ИЗ ПОЛИМЕРОВ (HF)
- С ПВХ ИЗОЛЯЦИЕЙ БРОНИРОВАННЫЙ
- С РЕЗИНОВОЙ ИЗОЛЯЦИЕЙ
- Кабель Радиовещания
- Кабель СКС
- КАБЕЛЬ КОНТРОЛЬНЫЙ И УПРАВЛЕНИЯ
- Кабель контрольный (медный)
- Кабель контрольный (алюминиевый)
- Кабель управления
- Кабеля Аудио,Видео,Питания, HDMI
- КАБЕЛЬ ПЕРЕДАЧИ ДАННЫХ
- Кабели симметричные для ИНТЕРФЕЙСА RS-485
- LAN-КАБЕЛЬ (ВИТАЯ ПАРА)
- ВОЛОКОННО-ОПТИЧЕСКИЙ КАБЕЛЬ
- КОАКСИАЛЬНЫЙ КАБЕЛЬ (RG, SAT)
- КАБЕЛЬ СВЯЗИ
- Радиочастотный кабель
- Кабель телефонный
- Слаботочный пожарный кабель
- КАБЕЛЬ СИГНАЛИЗАЦИИ И БЛОКИРОВКИ
- Кабель для систем ОПС и СОУЭ огнестойкий, с низким
- Огнестойкая кабельная линия.
- Огнестойкий для групповой прокладки
- Огнестойкий кабель
- Пожарный кабель
- Слаботочный охранный кабель
- Слаботочный пожарный кабель
- Термостойкий кабель
- ПРОВОДА И ШНУРЫ
- Провода установочные
- ПРОВОДА С МЕДНОЙ ТОКОПРОВОДЯЩЕЙ ЖИЛОЙ
- Провода соединительные
- Провода автомобильные
- Провода связи
- КАБЕЛЬНАЯ ПРОДУКЦИЯ
- КАБЕЛЬ УНИВЕРСАЛЬНЫЙ
- Кабель монтажный универсальный
- КОМПЬЮТЕРЫ И КОМПЛЕКТУЮЩИЕ
-
КОНТРОЛЬНО-ИЗМЕРИТЕЛЬНЫЕ ПРИБОРЫ (КИПиА)
- Сигнализаторы загазованности
- Терморегуляторы
- СРЕДСТВА ИЗМЕРЕНИЯ ДАВЛЕНИЯ
- Преобразователи давления
- Датчики давления
- Манометры
- СЧЕТЧИКИ ЭЛЕКТРОЭНЕРГИИ
- Статический (электронный) счетчик
- Многотарифный счетчик
- Расходомеры
- Системы телеметрии
- Актаком ADS-4574T
- Вакууметр
- Датчики влажности
- Скорость вращения, Свет и Шум
- Уровнеметры
-
МОНТАЖНЫЕ и РАСХОДНЫЕ МАТЕРИАЛЫ
- LEGRAND
- АВВ
- Аксессуары для кабель-канала
- Аксессуары для труб
- Акссесуары к профилю
- Буры, сверла, круги
- Гефест расходники (ФЛМЗ)
- Кабельные каналы металлические
- Коробки монтажные огнестойкие IP41
- Коробки монтажные огнестойкие IP66
- Крепеж из состава Кабельной линии "Гефест"
- Краски
- Изолента и прочее
- Инженерная сантехника
- Кабель-канал
- Разъемы, джеки, коннекторы
- Коробки монтажные
- Крепёж
- Крепёж-клипса
- Крышки
- Лотки
- Маркировка, бирки
- Металл
- Металлорукав
- Металлорукав Fortisflex
- Металлорукав Г
- Металлорукав Промрукав
- Металлорукав прочих пр-лей
- Монтажные и расходные материалы
- Герметики, пена монтажная
- Прочее
- Базы/Коробки/Основания/ОПС*
- Муфты
- Ответвители
- Отводы
- Профили
- Скобы
- Стяжки
- Термоусадки, протяжки, трубка ПВХ
- Труба гофрированная
- Труба гофрированная из ПНД
- Труба жесткая
- Углы-Повороты-стыки
- Шины гибкие, Бирка кабельная
- Шины нулевые
- Электроустановочные изделия
- Крепеж/Метизы
- Анкера*
- СВЕТОТЕХНИЧЕСКОЕ ОБОРУДОВАНИЕ
-
ПОЖАРОТУШЕНИЕ И АВТОМАТИЗАЦИЯ
- ВЕНТИЛЯЦИЯ И ОБОГРЕВ
- Блоки и пульты управления для систем дымоудаления
- Датчики, Вентиляторы
- Фильтрующие элементы
- Модули вентиляции
- Клапаны и заслонки
- Конвекторы/охлаждение
- Отопление
- Шкаф аппаратуры коммутации (ШАК)
- Табло взрывозащищенные
- ИНЖЕНЕРНАЯ САНТЕХНИКА
- ПРЕДОХРАНИТЕЛЬНАЯ АРМАТУРА
- ТРУБЫ
- ФИТИНГИ
- ПЕННОЕ ПОЖАРОТУШЕНИЕ
- Генераторы пены
- Шкаф аппаратуры коммутации (ШАК)
- Авиэл
- Шкафы управления Рубеж
- ЭнергоАвтоматик
- Плазма-Т
- АЭРОЗОЛЬНОЕ ПОЖАРОТУШЕНИЕ
- Элементы запуска генераторов
- Генераторы огнетушащего аэрозоля (ГОА)
- Модули аэрозольного пожаротушения
- Комплектующие к оросителям
- ПОЖАРНЫЕ СТВОЛЫ И АРМАТУРА
- Пожарные головки переходные
- Пожарные головки муфтовые
- Пожарные головки цапковые
- Пожарные головки переходные
- Ручные пожарные стволы
- Лафетные пожарные стволы
- Пожарные головки заглушки
- ТАБЛИЧКИ, ЗНАКИ, ПЛАНЫ
- Плакаты и журналы
- Знаки электробезопасности
- Знаки пожарной безопасности
- ТРУБОПРОВОДНАЯ АРМАТУРА
- Баки/камеры
- Гидранты
- Клапаны
- Задвижки
- Вентили
- Пожарные краны
- БЕССВАРНЫЕ МУФТОВЫЕ СОЕДИНЕНИЯ
- ОГНЕТУШАЩИЕ, ОГНЕЗАЩИТНЫЕ СОСТАВЫ И СМЕСИ
- Огнезащитные краски и лаки
- Огнезащитные составы
- Огнестойкие пены
- Огнетушащие составы
- ВОДЯНОЕ ПОЖАРОТУШЕНИЕ
- Модульные установки водяного пожаротушения
- Пенное пожаротушение
- Оросители, распылители
- Пожарные резервуары (РДВ)
- Установки для водоснабжения
- Трубы, соединители пожаротушения
- Модули пожаротушения тонкораспыленной водой
- Насосы
- ГАЗОВОЕ ПОЖАРОТУШЕНИЕ
- Пожтехника
- Клапан сброса избыточного давления
- Модули газового пожаротушения
- Тара
- Запорно-пусковые устройства
- Насадок (распылитель) газовые
- Комплектующие к модулям пожаротушения
- ОГНЕТУШИТЕЛИ
- Подставки, кронштейны для огнетушителей
- Огнетушители самосрабатывающие (ОС)
- Огнетушители углекислотные (ОУ)
- Огнетушители воздушно-пенные (ОВП)
- Огнетушители воздушно-эмульсионные (ОВЭ)
- Огнетушители порошковые (ОП)
- Ранцевые (ОР)
- ПОЖАРНЫЕ РУКАВА
- Латексированные пожарные рукава
- Рукава высокого давления
- Рукава напорные
- Рукава с двухсторонним покрытием
- ПОЖАРНЫЕ ШКАФЫ, ЩИТЫ, ЯЩИКИ
- Щиты пожарные
- Шкафы пожарные
- Ящики пожарные
- Комплектующий инвентарь
- ПОРОШКОВОЕ ПОЖАРОТУШЕНИЕ
- Модули порошкового пожаротушения
- Насадок (распылитель) порошковые
- Установки порошкового пожаротушения
- ПРИБОРЫ УПРАВЛЕНИЯ ПОЖАРОТУШЕНИЕМ
- Системы автоматического пожаротушения
- Модули управления вентиляцией и дымоудалением
- Системы автоматического пожаротушения
- Модули управления пожаротушением
- Системы и средства пожаротушения
- Блоки управления пожаротушением
- Сигнализаторы потока, давления
- Дымососы
- Шкафы управления пожаротушением
-
ПРОМЫШЛЕННОЕ СЕТЕВОЕ ОБОРУДОВАНИЕ
- Шлюзы
- Оптика
- Для монтажа оптического кабеля
- Оптика
- Оптические кроссы
- КОММУТАТОРЫ
- Cisco
- D-Link
- Коммутаторы сети
- Моха
- Коммуникаторы
- Hikvision
- Сетевое оборудование проводное
- Трансиверы (SFP-модули)
- Трансиверы (SFP-модули)
- D-LINK
- Усилители
- SFP ОПТИЧЕСКИЕ, ИНТЕРФЕЙСНЫЕ МОДУЛИ
- Интерфейсные модули
- Комплектующие
- Комплектующие
- Промышленные сервера/компьютеры*
- Программное обеспечение промышленное
- Маршрутизаторы
- Марштрутизатор
- БЕСПРОВОДНАЯ СВЯЗЬ
- Роутеры
- Модемы
- СИСТЕМЫ ВЫЗОВА ПЕРСОНАЛА
- ПРОМЫШЛЕННАЯ АВТОМАТИКА
-
СКУД
- Eff Eff
- Parsec
- Smartec СКУД
-
Диспечеризация
- ДОВОДЧИКИ
- DORMA
- NOTEDO
- Доводчики
- ДОМОФОНЫ
- IP-домофония
- Аудиодомофоны
- Блоки вызова
- Блоки коммутации
- Видеодомофоны
- Дополнительное оборудование ВИЗИТ
- Комплекты домофонов
- Мониторы видеодомофона
- Переговорные устройства
- Трубки домофонов
- Панели,Дверные блоки
- Переговорные устройства системы ДИСПЕЧЕРИЗАЦИИ
- Модуль/Блок сопряжения домофона
- Монтажные акссесуары СКУД
- ЗАМКИ, ЗАЩЕЛКИ, КОМПЛЕКТУЮЩИЕ
- Замки, защелки и аксессуары
- Комплектующие
- Замки электромагнитные
- Защелки электромеханические
- Замки электромеханические
- ЗИП и аксессуары
- КНОПКИ ВЫХОДА РАЗЛИЧНЫХ ПРОИЗВОДИТЕЛЕЙ
- Кнопки выхода
- Накладные кнопки выхода
- Сенсорные кнопки
- Коммутаторы
- Контроллеры и идентификаторы доступа
- Сетевые контроллеры
- Считыватели
- Турникеты
- OMA
- Perco
- Praktika
- CARDDEX
- Gotschlich
- Ростов-Дон
- Шлагбаумы и автоматика
- Автоматика для окон и фрамуг
- Брелки, ключи, карты
- Переговорные устройства
- Преобразователи интерфейсов СКУД
- Считыватель биометрический
- Металлодетекторы
- РАСПАШНЫЕ ВОРОТА
- CAME
- Comunello
- Привода NICE
- DoorHan
- СКУД Програмное обеспечение
- SIGUR
- ParsecNET 3
- АНТИТЕРРОСТИЧЕСКОЕ ОБОРУДОВАНИЕ
-
СР-ВА И СИС-МЫ ОПОВЕЩЕНИЯ МУЗЫКАЛЬНОЙ ТРАНСЛЯЦИИ
- Гарнитуры и переговорные устройства
- Дополнительное к речевому оповещению
- НТК Темас
- Полисервис
- Приборы управления речевым оповещением
- Пульты управления речевого оповещения
- Селекторы речевого оповещения
- Системы оповещения, музыкальной трансляции
- GIT-Softon
- ОПОВЕЩЕНИЕ ГО и ЧС
- INTER-M
- JDM-JEDIA
- ROXTON
- TOA
- Industronic
- ITC ESCORT
- ТРОМБОН
- МЕТА
- Усилители речевого оповещения
- Элес
- Дополнительное оборудование
- Звук профессиональный
- Колонки, блоки акустические, громкоговорители
- Колонки, блоки акустические, громкоговорители
- Громкоговоритель рупорный всепогодный
- Вокальные радиосистемы
-
СРЕДСТВА И СИСТЕМЫ ОХРАННО-ПОЖАРНОЙ СИГНАЛИЗАЦИИ
- Устройство коммутации и диагностики
- Каталог оборудования системы ОДК
- Принтеры этикеток, платиковых карт
- Расходные мат. и аксесс. к торговому оборудованию
- Терминалы сбора данных
- ADEMCO
- GSM-сигнализация
- Optex
- Pyronix
- ИМПРОКОМ
- Антенны
- БОЛИД Интегрированная система
- Гефест
- НИКИРЭТ
- Дополнительное(кронштейны)
- ИЗВЕЩАТЕЛИ
- ДАТЧИКИ
- ДОПОЛНИТЕЛЬНОЕ ОБОРУДОВАНИЕ
- ОХРАННЫЕ ИЗВЕЩАТЕЛИ
- ПОЖАРНЫЕ ИЗВЕЩАТЕЛИ
- АВАРИЙНЫЕ ИЗВЕЩАТЕЛИ
- ИК ТСО "Стрелец-часовой"
- ИНТЕГРИРОВАННАЯ СИСТЕМА "БОЛИД"
- Вспомогательные устройства для источников питания
- Преобразователи интерфейсов ОПС
- Интегрированная система "Стрелец-Интеграл"
- Мониторинговые системы
- ОПОВЕЩАТЕЛИ
- Оповещатели
- Оповещатели звуковые
- Оповещатели световые (ТАБЛО)
- Оповещатели световые
- ПОЖАРНОЕ ОБОРУДОВАНИЕ ESMI
- Приборы контроля и управления
- БАЗЫ коробки цоколя
- ПРИБОРЫ ПРИЕМНО-КОНТРОЛЬНЫЕ УПР-Я И ИНДИКАЦИИ
- Приборы приемно-контрольные
- Приборы специальные и дополнительные устройства
- Модули ОПС
- Пульты ОПС*
- АДРЕСНАЯ СИСТЕМА "РУБЕЖ"
- Протокол R1
- Протокол R3
- Радиоканальные и GSM системы
- Радиоканальные датчики
- Радиоканальные и GSM системы
- Альтоника
- РИТМ-Контакт
- Беспроводные датчики/Умный дом
- Риэлта Адресная
- Рубеж аналоговое оборудование
- СВИТ
- СИГМА-ИС
- Сименс
- Сирены
- Системы передачи извещений
- Система передачи извещений
- Преобразователи интерфейсов
- Текон-Автоматика
- Тестеры для извещателей
- ТЭКО (астры)
- Устройства дополнительные для ОПС
- Шкаф управления
- Электротехника и Автоматика
- Система пожарной сигнализации «Посейдон-Н-Е»
- Каталог оборудования системы ОДК
- Метки, этикетки
- Сканеры штрих-кода
- Принтер этикеток
- Терминалы сбора данных
- Аварийные светильники
- Преобразователь линейных перемещений
- Програмное обеспечение ОПС
- Болид
- ITV
- СПИ "Юпитер"
- ТЕЛЕВИДЕНИЕ И РАДИО
- ТЕЛЕФОНИЯ
- ЧАСИФИКАЦИЯ
-
ТЕЛЕКОММУНИКАЦИЯ Шкафы, стойки и компоненты СКС
- AESP
- Блоки розеток
- Вентиляторные модули к шкафам
- Оптические панели и аксессуары
- Органайзеры
- Патч-корды, коммутационные шнуры
- Патч-панели
- Шкафы, стойки
- ШКАФЫ ТЕЛЕКОММУНИКАЦИОННЫЕ
- Напольные шкафы
- Шкафы Настенные телеком.
- КОМПЛЕКТУЮЩИЕ И АКСЕССУАРЫ ДЛЯ ШКАФОВ И СТОЕК
- Блоки розеток
- Опоры к стойкам
- Органайзеры кабельные
- Вентиляторы, вентиляторные полки
- Полки фиксированные, консольные, выдвижные
-
ЭЛЕКТРООБОРУДОВАНИЕ И ЭЛЕКТРОПИТАНИЕ
- Диоды
- Звонки, посты
- ИЭК
- Колодки, клеммы
- Коробки Установочные в бетон
- Коробки Установочные в гипсокартон
- Наконечники
- Предохранители, электронные компоненты
- Разъемы
- Резисторы
- Розетки, выключатели
- Сетевые фильтры и удлинители
- Трансформаторы
- ИЗДЕЛИЯ ДЛЯ ЭЛЕКТРОМОНТАЖА
- ИЗДЕЛИЯ ДЛЯ ИЗОЛЯЦИИ, КРЕПЛЕНИЯ И МАРКЕРОВКИ
- КАБЕЛЕНЕСУЩИЕ СИСТЕМЫ
- КОРОБКИ РАСПРЕДЕЛИТЕЛЬНЫЕ МОНТАЖНЫЕ
- КАБЕЛЬНАЯ АРМАТУРА
- НИЗКОВОЛЬТНОЕ ОБОРУДОВАНИЕ
- АППАРАТЫ ЗАЩИТЫ
- СВЕТОСИГНАЛЬНАЯ АППАРАТУРА
- ПРИБОРЫ КОНТРОЛЯ И СИГНАЛИЗАЦИИ
- ЩИТЫ И ШКАФЫ
- КОМПЛЕКТУЮЩИЕ И АКСЕССУАРЫ ДЛЯ ЭЩО
- ЩИТОВОЕ ОБОРУДОВАНИЕ
- Джостики
- АРХИВ Товары АТМ
Новости
11.04.2024
Изменение цен на отдельные товары
Подписка на новости магазина
Подпишитесь на рассылку и получайте свежие новости и акции нашего магазина.
- Главная страница
- •
- Каталог товаров
- •
- ВЗРЫВОЗАЩИЩЕННОЕ ОБОРУДОВАНИЕ,
- •
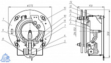
- Пост сигнализации ПСО-З-51-У1, ВЗРЫВОЗАЩИЩЕННОЕ ОБОРУДОВАНИЕ








В корзину
Купить в 1 клик
В избранное
К сравнению
Под заказ


